24BYJ46 Geared Stepper Motor
Product Introduction
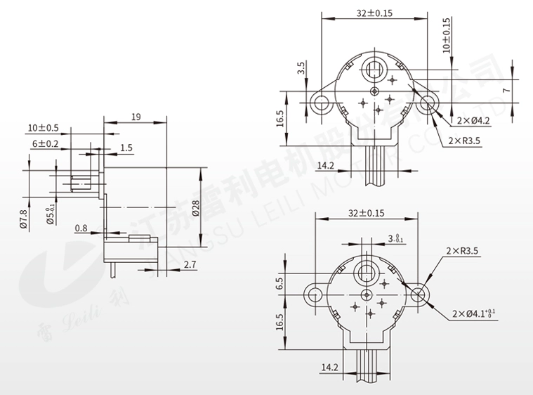
- Model:24BYJ46
- Permanent magnet rotor with matching stator poles ensures synchronized motion and stable performance.
- Excellent dynamic performance and high output torque enhance efficiency in stepping motor applications.
Product Application
- Home appliances: air conditioners
- Warm Reminder:
- The following product parameters are standard products, our company can do product design, development and production according to the special needs of customers. For more information, please contact [email protected]
Performance Parameters
| Model | Voltage (V) |
Resistance (Ω) |
Freq (PPS) |
Pull-in Torque (mN.m) |
Torque (mN.m) |
Pull-in Freq (PPS) |
Pull-out Freq (PPS) |
Temp (K) |
Noise dB(A) |
Stepping Angle (1-2phase) |
| 24BYJ46 | 12 | 200 | 100 | ≥53.9 | ≥49 | ≥500 | ≥700 | ≤40 | ≤40 | 7.5°/87 |
| 12 | 250 | 100 | ≥53.9 | ≥49 | ≥500 | ≥700 | ≤40 | ≤40 | ||
| 12 | 300 | 100 | ≥49 | ≥49 | ≥400 | ≥700 | ≤40 | ≤40 |
Mechanical Dimension:mm





























