50SM16 Permanent Magnet Synchronous Motor
Product Introduction
- Model:50SM16
- Efficient Performance Operates at 110-240V, 50/60Hz, with speeds up to 24 RPM and ≤3.5W power.
- Reliable Operation Ensures ≥4 kgf·cm torque, ≤60K temperature rise, and insulation class A/E for durability.
Product Application
- Home application: Air conditioning, refrigerator, oven, fireplace, automatic door lock, microwave oven
- Warm Reminder:
- The following product parameters are standard products, our company can do product design, development and production according to the special needs of customers. For more information, please contact [email protected]
Product Parameters
| Motor Type | Rated Voltage | Frequency | Rotational Speed | No-load Current | No-load Power | Output Torque | Starting Voltage | Temperature Rise | Noise | Insulation Class |
| (VAC) | (Hz) | (RPM) | (mA) | (W) | (kgf·cm) | (V) | (K) | (A) | ||
| 50SM16 | 110/120 | 50/60 | 5/6 | ≤40 | ≤3.5 | ≥2.16 | ≤96 | ≤60 | ≤40 | A |
| 110/120 | 50/60 | 4/5 | ≤40 | ≤3.5 | ≥2.5 | ≤96 | ≤60 | ≤40 | E | |
| 110/120 | 50/60 | 2.5/3 | ≤40 | ≤3.5 | ≥4 | ≤96 | ≤60 | ≤40 | ||
| 220/240 | 50/60 | 5/6 | ≤20 | ≤3.5 | ≥2.16 | ≤176 | ≤60 | ≤40 | ||
| 220/240 | 50/60 | 4/5 | ≤20 | ≤3.5 | ≥2.5 | ≤176 | ≤60 | ≤40 | ||
| 220/240 | 50/60 | 2.5/3 | ≤20 | ≤3.5 | ≥4 | ≤176 | ≤60 | ≤40 | ||
| 220/240 | 50/60 | 20/24 | ≤20 | ≤3.5 | ≥0.8 | ≤176 | ≤60 | ≤40 |
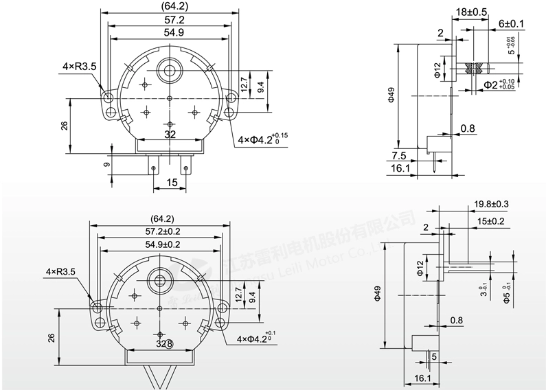
Mechanical Dimensions: mm





























