20 Series PM Screw Stepper Motor
Product Introduction
- The Φ20mm motor offers 7.5° or 15° step angle, with 160 mA current per phase.
- It operates at 5V or 12V, with a 3.4W power rating and 35g weight.
- The motor features 100 MΩ insulation resistance, 1.05 gcm² rotor inertia, and B insulation class.
Product Application
- Industrial control: Industrial equipment
- Sports Health: Medical devices
- Warm Reminder:
- The following product parameters are standard products, our company can do product design, development and production according to the special needs of customers. For more information, please contact [email protected]
Product Parameters
| Φ20mm Motor | ||||
| Winding type | Bipolar | |||
| Motorthe way | Fixed shaft、Through shaft、Externally driven | |||
| Step angle(°) | 7.5 | 15 | ||
| Jobs Voltage(V) | 5 | 12 | 5 | 12 |
| Current per phase(mA) | 370 | 160 | 370 | 160 |
| Resistance per phase(Ω) | 13.5 | 74.5 | 13.5 | 76 |
| Inductance per phase(mH) | 6.5 | 38.5 | 4 | 25 |
| Power(W) | 3.4 | |||
| Rotor inertia(gcm²) | 1.05 | |||
| Insulation class | B | |||
| Insulation resistance(MΩ) | 100 | |||
| Weight(g) | 35 | |||
Step type
| Step Angle | Lead | Stride | Leader code | ||
| mm | inch | mm | inch | ||
| 7.5° | 0.6096 | 0.024 | 0.0127 | 0.0005 | AA |
| 1.2192 | 0.048 | 0.0254 | 0.001 | B | |
| 2.4384 | 0.096 | 0.0508 | 0.002 | J | |
| 15° | 0.6096 | 0.024 | 0.0254 | 0.001 | AA |
| 1.2192 | 0.048 | 0.0508 | 0.002 | B | |
| 2.4384 | 0.096 | 0.1016 | 0.004 | J | |
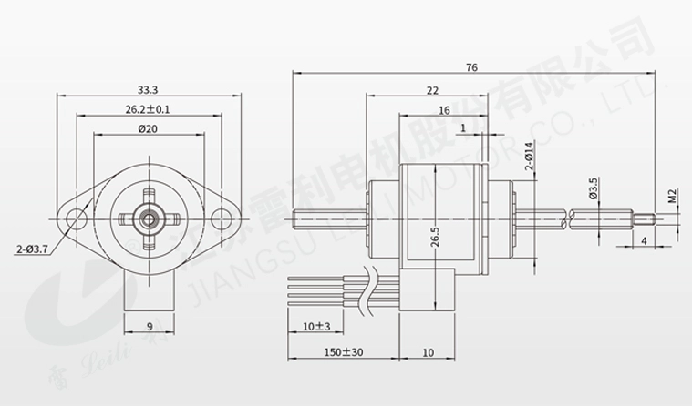
Mechanical Dimensions: mm





























