28ZYJ1-1/28ZYJ1-2 Sweeping Motor Wheel Motor
Product Introduction
- Power & Performance: 12V DC motor with a 1/64.4 reduction ratio, delivering 100±10 r/min speed.
- Efficiency & Durability: ≤0.4A no-load current, ≤3A locked-rotor current, and ≥1000 mN·m torque.
- Quiet Operation: Noise level ≤60 dB(A), ensuring low-noise and smooth performance for sweeping applications.
Product Application
- Robot vacuum cleaner
- Warm Reminder:
- The following product parameters are standard products, our company can do product design, development and production according to the special needs of customers. For more information, please contact [email protected]
Product Parameters
| Voltage (DC.V) | Reduction Ratio | No-Load Current
(A) |
No-Load Speed
(r/min) |
Locked-Rotor Current (A) | Gridlock Torque mN.m | Noise dB(A) |
| 12 | 1/64.4 | ≤0.4 | 100±10 | ≤3 | ≥1000 | ≤60 |
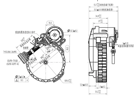
Mechanical Dimension: mm





























