42BY412M Clamshell Mechanism
Product Introduction
- Clamshell mechanism is mainly used for smart toilet lid clamshell
- Precise Step Angle: 7.5° per step, offering accurate movement control for enhanced performance.
- Reliable Drive System: Bipolar 2-2 phase drive ensures stable, consistent operation.
- High Insulation: Class E insulation level with AC 500V resistance ensures safety and long-lasting durability.
Product Application
Home appliances: Smart sanitaryware
- Warm Reminder:
- The following product parameters are standard products, our company can do product design, development and production according to the special needs of customers. For more information, please contact [email protected]
Product Parameters
| Model | Stepping Angle | Drive Method | Drive Circuit | Drive Voltage | Current | Coil Resistance | Insolation Resistance | Insoaltion&voltage Resistance | Insolation Level |
| 42BY412M | 7.5°/Step | 2-2PHASE | BIPOLAR | 24[Ω] | 6[Ω] | 100M[Ω]MIN | AC 500[V]1[min] | CLASS E |
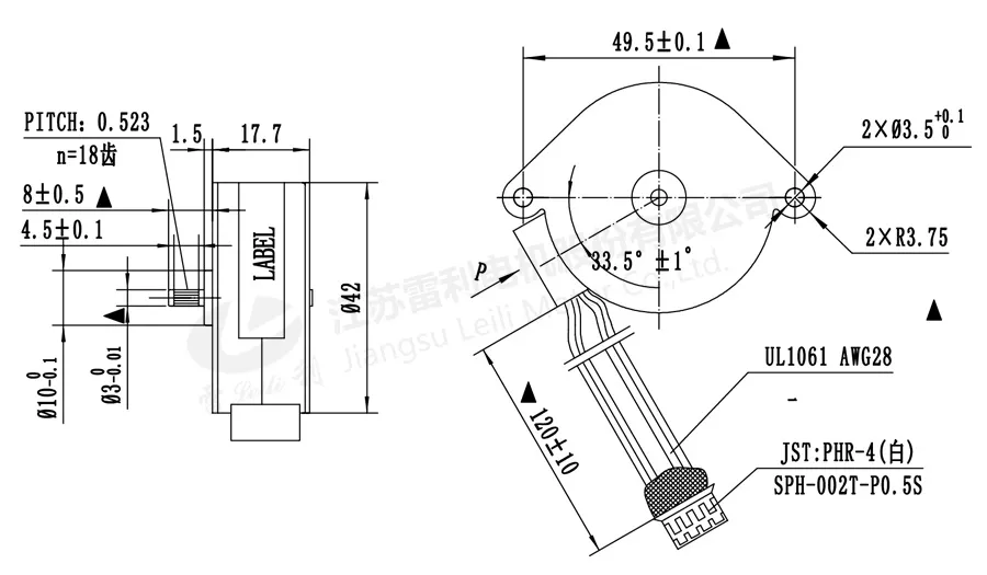
Mechanical Dimensions: mm

Performance Curves





























