61WZW Outer Rotor Brushless DC Motor
Product Introduction
- Rated torque of 85 mN•m with a rated current of ≤1.25A for optimal performance.
- Rated speed of 1200 RPM ± 5% with clockwise direction for consistent operation.
- Insulation resistance ≥10MΩ and AC600V dielectric strength for enhanced reliability and safety.
- Warm Reminder:
- The following product parameters are standard products, our company can do product design, development and production according to the special needs of customers. For more information, please contact [email protected]
Product Parameters
| Model | Rated VoltageDC (V) |
Rated Torque (mN-m) |
Rated Current A |
Rated Speed (r/min) |
Direction of Rotation | Insulation Resistance (DC500V) (MQ) |
AC600V,1s, mA | Insulation Class |
| 12 | Fan, approx. 85 | ≤1.25 | 1200±5% | CW | ≥10 | ≤3 | B |
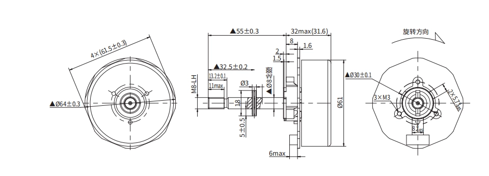
Mechanical Dimensions: mm





























