Gear Pump
Product Introduction
- Efficient Performance: Operates at 24V DC with a power range of 22-30W, ensuring stable functionality.
- Optimized Flow & Pressure: Delivers a 0.9 L/min flow rate with 1.5-1.8 bar pressure, supporting reliable applications.
- Low-Noise Operation: Maintains a noise level of 55dB, providing a quieter working environment for users.
Product Application
- Smart toilet
- Warm Reminder:
- The following product parameters are standard products, our company can do product design, development and production according to the special needs of customers. For more information, please contact [email protected]
Product Parameters
| Model | Rated Voltage (V, DC) |
Power (W) |
Current (A) |
Current/ close outlet (A) |
Starting Voltage (V) |
Lift (cm) |
Flow Rate (L/min) |
Pressure (bar) |
Noise (dB) |
| CLB-1 | 24 | ≤ 30 | ≤ 1.25 | 2 | 7 | 50 | 0.9 | 1.8 | 55 |
| CLB-2 | 24 | ≤ 22 | ≤ 0.9 | 2 | 7 | 50 | 0.9 | 1.5 | 55 |
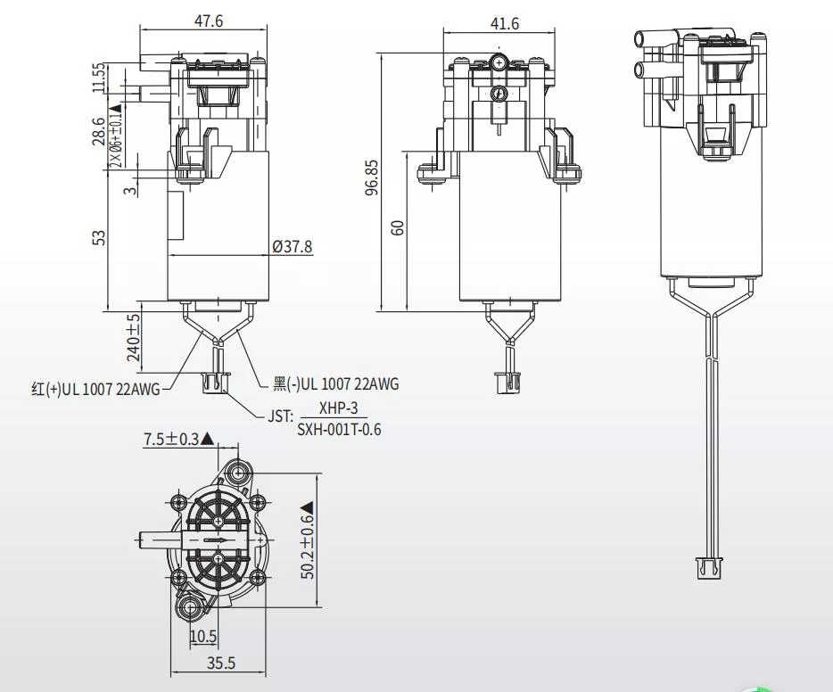
Mechanical Dimension: mm





























