PMSM Motor for Textile Equipment
Product Introduction
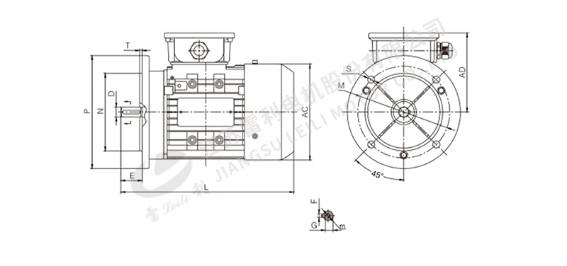
- Versatile engine mounting supports seat sizes 63-132m with m4 to m12 mounting screws for secure installation.
- Robust structure offers overall lengths from 229mm to 522mm, ensuring durability and stability in applications.
- Warm Reminder:
- The following product parameters are standard products, our company can do product design, development and production according to the special needs of customers. For more information, please contact [email protected]
Product Parameters
| Engine Seat Number | Mounting Dimension | Overall Dimension | ||||||||||||
| D | E | F | G | M | N | S | T | P | AC | AD | L | Band Brake | m | |
| L | ||||||||||||||
| 63 | 11 | 23 | 4 | 12.5 | 115 | 95 | 10/M5 | 3 | 140 | 117 | 101.5 | 229 | 260 | M4X12 |
| 71 | 14 | 30 | 5 | 16 | 130 | 110 | 10/M6 | 3 | 160 | 133 | 109.5 | 253.5 | 294 | M5X12 |
| 80 | 19 | 40 | 6 | 21.5 | 165 | 130 | 12/M6 | 3 | 200 | 151 | 120.5 | 290 | 330.5 | M6X16 |
| 90S | 24 | 50 | 8 | 27 | 165 | 130 | 12/M8 | 3 | 200 | 164 | 128 | 317 | 390.2 | M8X19 |
| 90L | 24 | 50 | 8 | 27 | 165 | 130 | 12/M8 | 3 | 200 | 164 | 128 | 342 | 437.7 | M8X19 |
| 100L | 28 | 60 | 8 | 31 | 215 | 180 | 15/M8 | 4 | 250 | 190 | 154 | 386 | M10X22 | |
| 112M | 28 | 60 | 8 | 31 | 215 | 180 | 15/M8 | 4 | 250 | 215 | 165.5 | 413.5 | M10X22 | |
| 132S | 38 | 80 | 10 | 41 | 265 | 230 | 15/M10 | 4 | 300 | 253 | 185.5 | 482 | M12X28 | |
| 132M | 38 | 80 | 10 | 41 | 265 | 230 | 15/M10 | 4 | 300 | 253 | 185.5 | 522 | M12X28 | |
Mechanical Dimensions: mm





























